La luz os es dada para el bien y para la malicia
— Dante Alighieri, Purgatorio
La noticia de que el magnate ruso Alisher Usmanov había comprado en la Casa de Subasta Christie en Nueva York la medalla del Premio Nobel del científico norteamericano James Watson por 4,76 millones de dólares para entregarla a su dueño que la había vendido, recorrió el mundo y estremeció la sensibilidad de la opinión pública.
Dijo Usmanov que "James Watson es uno de los más grandes biólogos en la historia de la humanidad y el Premio Nobel por el descubrimiento del ADN debe pertenecerle".
Sin embargo, si el multimillonario ruso, conocido en su país por sus numerosos gestos filantrópicos, hubiera sabido la verdadera historia del descubrimiento del ADN (Ácido Desoxirribonucleo) por la cual tres científicos: James Watson, Maurice Wilkins y Francis Crick recibieron en 1962 el Premio Nobel, de seguro no hubiera hecho este acto de generosidad.
Ya era la segunda vez en la historia del Premio Nobel que la medalla fue puesta en venta. La primera vez la hizo la familia del colega de Watson, Francis Crick que la vendió en 2004 por 2,27 millones de dólares. Lo curioso fue que después de vender su medalla James Watson declaró que estaba contento, "pues quería igualarme en precio con Crick pero logré superarlo". Quizás haya sido un grito de conciencia de Watson para deshacerse de lo que en realidad no le pertenecía o tal vez fue un simple negocio. ¿Quién sabe?
Para entender todo esto vale la pena remontarse a la historia del descubrimiento de ADN hace más de 61 años. Este recorrido también nos servirá para acordarnos de una de las científicas más brillantes de la historia e ignorada por la comunidad mundial que les otorgó el Premio Nobel a los que le robaron el descubrimiento y por el cual ella dio su vida al exponerse constantemente a los Rayos X.
Se trata de Rosalind Elsie Franklin que nació el 25 de julio de 1920 en Londres en la familia de un banquero judío y que desde los 15 años definió su vocación científica contra la voluntad de su padre eligiendo la carrera físico-química. Su espíritu y su vocación se expresan en lo que escribió a su padre en 1940 cuando tenía 20 años. Dice en su carta que "La ciencia y la vida ni pueden ni deben estar separadas. Para mí la ciencia da una explicación parcial de la vida. Tal como es se basa en los hechos, la experiencia y los experimentos. Estoy de acuerdo en que la fe es fundamental para tener éxito en la vida, pero no acepto tu definición de fe, la creencia de que hay vida tras la muerte. En mi opinión, lo único que necesita la fe es convencimiento de que esforzándonos en hacer lo mejor que podemos nos acercaremos al éxito, y que el éxito de nuestros propósitos, la mejora de la humanidad y del futuro, merece la pena de conseguirse".
A los 22 años terminó el Colegio Mayor Femenino de la Universidad de Cambridge y en 1946 obtuvo el doctorado especializándose en la técnica de Cristalografía de Rayos X, una técnica poco conocida. Posteriormente se trasladó a Paris al Laboratorio Central de Servicios Químicos del Estado donde perfeccionó la técnica de difracción de Rayos X. Al retornar a la Universidad de Londres, entró en el Laboratorio de King's College un lugar elitista donde a las científicas mujeres no les permitían tomar café en una de las salas reservada exclusivamente para los hombres.
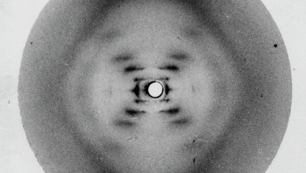
Precisamente en este Laboratorio Rosalind se encontró con el norteamericano James D. Watson, el británico Francis Crick y el neozelandés Maurice Wilkins, científicos que no pasaban de los 25 años y que tenían poca experiencia en la investigación que estaba haciendo R. Franklin. Ella que gustaba trabajar independientemente estaba muy lejos de imaginar que todos sus pasos estaban secretamente observados por este grupo de científicos. Los tres eran como "aves de rapiña" utilizando todos los métodos para saber los avances de Rosalind que ya había logrado las imágenes del ADN especialmente en la famosa foto 51 donde mostraba que el ADN tenía la forma de doble hélice.
Maurice Wilkins logró obtener esta foto 51 sin conocimiento de Rosalind y la mostró a sus dos colegas. Como lo describió posteriormente el mismo James Watson en su libro "La Doble Hélice": "Al momento que vi la imagen que mostró Franklin, mi boca se abrió y mi pulso empezó a acelerarse. El ADN tenía el patrón repetitivo de bases nitrogenadas y era una estructura simétrica, lo que implicaba que la molécula estaba formada de dos cadenas que corrían en direcciones opuestas". También Watson y su grupo obtuvieron el informe confidencial que mandó Rosalind al evaluador Max Perutz. Resultó que mientras ella estaba preparando publicar su descubrimiento en la revista Nature, los tres "científicos" de la banda de "doble hélice", la adelantaron haciendo público "sus avances" sin nombrar para nada el estudio de Rosalind que utilizaron para anunciar su "descubrimiento".
En 1962, Watson, Wilkins y Crick recibieron el Premio Nobel de Fisiología y Medicina sin mencionar a Rosalind en sus discursos de aceptación. Rosalind Franklin había muerto en 1958 de cáncer debido a su exposición permanente a los Rayos X, cuatro años antes que la Academia Sueca reconociese la importancia del descubrimiento del ADN. Lo trágico de aquel Premio Nobel fue que lo recibieron las personas que le mostraron su desprecio a Rosalind durante su vida como científica y en especial Watson y que se aprovecharon de lo que no les pertenecía. Watson inclusive se dedicaba anteriormente a la observación de las aves y no tenía nada que ver con la Cristalografía. No se sabe hasta ahora la reacción de la científica a la publicación de sus colegas en 1953 sobre la doble hélice y la posterior gloria de los tres científicos. Pero tomando en cuenta su dedicación al trabajo podríamos deducir que siguió su rumbo profundizando la investigación.
Para conocer a Rosalind, había que mencionar su cumpleaños número 29 cuando todos la adulaban y entre ellos Watson y le preguntaron qué quería de regalo, ella respondió: "la suscripción a la revista Acta Cristalográfica". Tal era su sencillez y dedicación. Se sabe que en 1954 pasó a la Universidad de Birkbeck donde fue obligada a abandonar el trabajo sobre el ADN y comenzó a investigar sobre la estructura de los virus, logrando importantes resultados. Encontró, por ejemplo, que el material genético del virus mosaico del tabaco, un ARN, se enrosca en el interior del largo tuvo de proteínas que forma su cápsida. También este descubrimiento sobre ARN utilizó Watson en su discurso de aceptación del Premio Nobel, por supuesto sin mencionar a Rosalind.
Así habrá sido el destino de esta científica determinado de un lado, por su abnegada labor y del otro, por la ambición sin escrúpulos de sus colegas masculinos que se opusieron inclusive a la posibilidad de otorgarle el Premio Nobel póstumo, estaba entre ellos el famoso químico Premio Nobel Linus Pauling. Pero en la comunidad científica todos saben quién es quién. James Watson vendió además de su medalla su discurso de aceptación del Premio Nobel por 365 mil dólares y también una de sus clases maestras por 265,000. En 2007 tuvo que renunciar a su puesto de director del Laboratorio Cold Spring Harbor después de declarar que los afroamericanos tienen el coeficiente de inteligencia inferior a los blancos.
Dos años antes en una conferencia científica en la Universidad Berkeley anunció que "la gente gorda tiene más apetito sexual que el resto de las personas; que el sol está ligado con la actividad sexual y por eso las mujeres que usan bikini tienen más libido que las musulmanas por estar totalmente cubiertas". También argumentó que "el color de la piel está ligado a la apetencia sexual", argumentando que "mientras más oscura, más cachonda es la persona y por eso siempre decimos "Latin Lover" y nunca "English Lover", dijo este "científico" que alguna vez fue nombrado director del Proyecto Genoma Humano.
Así de irónica es la vida. Por algo escribió alguna vez Miguel de Cervantes que "la falsedad tiene alas y vuela, y la verdad la sigue arrastrándose, de modo que cuando las gentes se dan cuenta del engaño ya es demasiado tarde".
LA OPINIÓN DEL AUTOR NO COINCIDE NECESARIAMENTE CON LA DE SPUTNIK

